|
EN
IT
Gruppo Borghi
T.Erre
T.Erre Deutschland
T.Erre Europe
Marpol
Borghi Impianti Oleodinamici
Borghi USA
Metallink
Suppliers
Work with us
FOR
EN
IT
Search
LOGIN
MENU
Company
Mission-History
Sustainability
Solar Energy
Waste reduction
Packaging optimization
Toxic substances
Sustainability Report
Ecovadis Report 2025
Carbon Footprint
News
Work with us
Open positions
Spontaneous application
My account
Products
Hydraulic Connectors
Special Connectors
37° Flared Tube Connectors
ORFS Connecting System
24° DIN 3861 Connecting System
60° BSP Connecting System
Threaded Ports Dimensions
Adjustable Connectors Assembly
Dimensions for SAE Flange Ports
Equipment and Tooling
Packing
FOR-T-FLEX Hose Assemblies
Determining the Internal Diameter
Hose Selection
Testing Procedures
Fitting Selection
Hose Installation
Accessories - Hose Protections
FOR Catalogue
Standard search
Tabella Raccordo
Visual search
Composizione Speciale
FOR-T-FLEX Catalogue
Hoses
Hoses Fittings
Tabella Raccordo Flex
Work with us
FORTFLEX
LOGIN
LOGIN
User name:
Please enter a user name
Password:
Stay signed in on this computer
Forgotten password
Register
Search code
0
SHOW CART CONTENT
Shop
FOR CATALOGUE
STANDARD SEARCH
37° - FLARED TUBE CONNECTORS
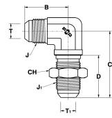
108007
90° bulkhead elbow male JIC - JIC
print
excel
* Insert quantity and click on the cart icon to add your request
T
T
1
RIFERIMENTO
REFERENCE
J
J
1
B
C
CH
D
Cad
*
MM.
IN.
MM.
IN.
6
1/4
6
1/4
A108007-06
7/16-20 UNF-2A
7/16-20 UNF-2A
24,5
40,5
17
28,5
Invalid Qt.
8
5/16
8
5/16
A108007-08
1/2-20 UNF-2A
1/2-20 UNF-2A
26
41
19
28,5
Invalid Qt.
10
3/8
10
3/8
A108007-10
9/16-18 UNF-2A
9/16-18 UNF-2A
27,5
46
22
30
Invalid Qt.
12
1/2
12
1/2
A108007-12
3/4-16 UNF-2A
3/4-16 UNF-2A
34,5
53,5
24
35
Invalid Qt.
14÷16
5/8
14÷16
5/8
A108007-16
7/8-14 UNF-2A
7/8-14 UNF-2A
39,5
60,5
30
38,5
Invalid Qt.
18-20
3/4
18-20
3/4
A108007-20
1"1/16-12 UN-2A
1"1/16-12 UN-2A
45
68
36
42,5
Invalid Qt.
22
7/8
22
7/8
A108007-22
1"3/16-12 UN-2A
1"3/16-12 UN-2A
47
69
38
42,5
Invalid Qt.
25
1"
25
1"
A108007-25
1"5/16-12 UN-2A
1"5/16-12 UN-2A
49
71
41
42,5
Invalid Qt.
30-32
1"1/4
30-32
1"1/4
A108007-32
1"5/8-12 UN-2A
1"5/8-12 UN-2A
55
79
50
44
Invalid Qt.
38
1"1/2
38
1"1/2
A108007-38
1"7/8-12 UN-2A
1"7/8-12 UN-2A
59
87
55
44
Invalid Qt.
If you haven't found the size/combination you are looking for
click here
for s.p.a. - norme e dimensioni soggette a modifiche senza preavviso.
for s.p.a. - design details and specifications subject to change without prior notice.
View 2D/3D
Register to our newsletter
Email:
NEWS FROM FOR
UPDATES AND NEWS
19 November 2025
Excon 2025
Excon 2025 (9 - 13 December 2025)
Visit us at Stand n° O 357 - Hall 2 UPPER LEVEL
BIEC, Bengaluru, India
24 September 2025
AGRITECHNICA 2025
AGRITECHNICA 2025 (9 - 15 November 2025)
Visit us in HALL 16 STAND D38
Hanover, Germany
27 August 2025
FARETE 2025
FARETE (3 - 4 September 2025)
All news
You are browsing in:
/
FOR Catalogue
Standard search
Tabella Raccordo
Gruppo Borghi
T.Erre
T.Erre Deutschland
T.Erre Europe
Marpol
Borghi Impianti Oleodinamici
Borghi USA
Metallink
Suppliers
Work with us
Information
×