|
IT
EN
Gruppo Borghi
T.Erre
T.Erre Deutschland
T.Erre Europe
Marpol
Borghi Impianti Oleodinamici
Borghi USA
Metallink
Fornitori
Lavora con noi
FOR
IT
EN
Cerca
LOGIN
MENU
Azienda
Mission-Storia
Sostenibilità
Energia rinnovabile
Riduzione dei rifiuti
Ottimizzazione del packaging
Etichettatura ambientale del packaging
Eliminazione sostanze tossiche
Report di Sostenibilità
Report Ecovadis 2025
Carbon Footprint di Prodotto
News
Lavora con noi
Posizioni aperte
Candidatura spontanea
Il mio account
Prodotti
Raccordi Oleodinamici
Raccordi Oleodinamici Speciali
Raccordi per tubi svasati a 37° JIC
Raccordi a tenuta frontale ORFS
Raccordi a tenuta 24° DIN 3861
Raccordi a tenuta 60° BSP
Dimensioni delle sedi filettate
Montaggio dei raccordi orientabili
Dimensioni delle sedi per flange
Attrezzature
Imballi
Tubi Oleodinamici FOR-T-FLEX
Determinazione del diametro interno
Scelta del tubo
Metodi di collaudo
Scelta del raccordo
Montaggio
Accessori - Protezioni
Catalogo FOR
Ricerca standard
Tabella Raccordo
Ricerca visuale
Composizione Speciale
Catalogo FOR-T-FLEX
Tubi
Raccordi per tubi flessibili
Tabella Raccordo Flex
Lavora con noi
FORTFLEX
LOGIN
LOGIN
Nome utente:
Inserisci un nome utente
Password:
Resta connesso su questo computer
Password dimenticata
Registrati
Ricerca codice
0
CONTENUTO DEL CARRELLO
Shop
CATALOGO FOR
RICERCA STANDARD
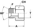
RACCORDI A TENUTA CONICA 60° (BSP)
202057
Giunzione maschio BSP sede a saldare
stampa
excel
* Inserire le quantità e cliccare sull'icona carrello per aggiungere la tua richiesta
T
RIFERIMENTO
REFERENCE
F
A
T
CH
Cad
*
MM.
IN.
5
3/16
A202057-1006
G1/8-28 A GAS
18
6
14
Qt. non valida
6
1/4
A202057-1308
G1/4-19 A GAS
21
8
17
Qt. non valida
6
1/4
A202057-1310
G1/4-19 A GAS
21
10
17
Qt. non valida
6
1/4
A202057-1312
G1/4-19 A GAS
21
12
17
Qt. non valida
10
3/8
A202057-1710
G3/8-19 A GAS
27
10
19
Qt. non valida
10
3/8
A202057-1712
G3/8-19 A GAS
27
12
19
Qt. non valida
10
3/8
A202057-1714
G3/8-19 A GAS
27
14
19
Qt. non valida
10
3/8
A202057-1716
G3/8-19 A GAS
27
16
22
Qt. non valida
12
1/2
A202057-2114
G1/2-14 A GAS
29,5
14
24
Qt. non valida
12
1/2
A202057-2115
G1/2-14 A GAS
29,5
15
24
Qt. non valida
12
1/2
A202057-2116
G1/2-14 A GAS
29,5
16
24
Qt. non valida
12
1/2
A202057-2118
G1/2-14 A GAS
29,5
18
24
Qt. non valida
12
1/2
A202057-2120
G1/2-14 A GAS
32,5
20
27
Qt. non valida
16
5/8
A202057-2316
G5/8-14 A GAS
31
16
27
Qt. non valida
20
3/4
A202057-2618
G3/4-14 A GAS
33,5
18
30
Qt. non valida
20
3/4
A202057-2620
G3/4-14 A GAS
37,5
20
30
Qt. non valida
20
3/4
A202057-2622
G3/4-14 A GAS
37,5
22
30
Qt. non valida
20
3/4
A202057-2625
G3/4-14 A GAS
37,5
25
32
Qt. non valida
25
1"
A202057-3325
G1"-11 A GAS
41
25
36
Qt. non valida
25
1"
A202057-3327
G1"-11 A GAS
41
27
36
Qt. non valida
25
1"
A202057-3330
G1"-11 A GAS
41
30
41
Qt. non valida
25
1"
A202057-3332
G1"-11 A GAS
41
32
41
Qt. non valida
32
1"1/4
A202057-4238
G1"1/4-11 A GAS
43
38
46
Qt. non valida
32
1"1/4
A202057-4242
G1"1/4-11 A GAS
43
42
50
Qt. non valida
38
1"1/2
A202057-4842
G1"1/2-11 A GAS
47
42
55
Qt. non valida
6
1/4
SA202057-1306
G1/4-19 A GAS
22
6
17
Qt. non valida
6
1/4
SA202057-1313
G1/4-19 A GAS
22
13
19
Qt. non valida
10
3/8
SA202057-1717
G3/8-19 A GAS
27
17
22
Qt. non valida
12
1/2
SA202057-2121
G1/2-14 A GAS
32,5
21
27
Qt. non valida
12
1/2
SA202057-2122
G1/2-14 A GAS
33,5
22
30
Qt. non valida
16
5/8
SA202057-2318
G5/8-14 A GAS
31
18
27
Qt. non valida
20
3/4
SA202057-2615
G3/4-14 A GAS
33,5
15
30
Qt. non valida
20
3/4
SA202057-2616
G3/4-14 A GAS
33,5
16
30
Qt. non valida
20
3/4
SA202057-2626
G3/4-14 A GAS
37,5
26
32
Qt. non valida
20
3/4
SA202057-2627
G3/4-14 A GAS
37,5
27
35
Qt. non valida
20
3/4
SA202057-2630
G3/4-14 A GAS
37,5
30
36
Qt. non valida
25
1"
SA202057-3334
G1"-11 A GAS
41
34
41
Qt. non valida
25
1"
SA202057-3338
G1"-11 A GAS
41
38
46
Qt. non valida
32
1"1/4
SA202057-4230
G1"1/4-11 A GAS
40
30
46
Qt. non valida
32
1"1/4
SA202057-4234
G1"1/4-11 A GAS
43
34
46
Qt. non valida
38
1"1/2
SA202057-4838
G1"1/2-11 A GAS
45
38
55
Qt. non valida
38
1"1/2
SA202057-4848
G1"1/2-11 A GAS
42
48
60
Qt. non valida
50
2"
SA202057-6050
G2"-11 A GAS
40
50
65
Qt. non valida
50
2"
SA202057-6060
G2"-11 A GAS
45
60
70
Qt. non valida
Se non hai trovato la dimensione/combinazione che stai cercando
clicca qui
for s.p.a. - norme e dimensioni soggette a modifiche senza preavviso.
for s.p.a. - design details and specifications subject to change without prior notice.
View 2D/3D
Iscriviti alla nostra newsletter
E-mail:
AGGIORNAMENTI DA FOR
NOVITA’ E NOTIZIE
19 novembre 2025
Excon 2025
Excon 2025 (9 - 13 December 2025)
Visit us at Stand n° O 357 - Hall 2 UPPER LEVEL
BIEC, Bengaluru, India
24 settembre 2025
AGRITECHNICA 2025
AGRITECHNICA 2025 (9 - 15 Novembre 2025)
Visit us in HALL 16 STAND D38
Hannover, Germania
27 agosto 2025
FARETE 2025
FARETE (3 - 4 Settembre 2025)
Tutte le news
Stai navigando in:
/
Catalogo FOR
Ricerca standard
Tabella Raccordo
Gruppo Borghi
T.Erre
T.Erre Deutschland
T.Erre Europe
Marpol
Borghi Impianti Oleodinamici
Borghi USA
Metallink
Fornitori
Lavora con noi
Informazione
×