|
IT
EN
Gruppo Borghi
T.Erre
T.Erre Deutschland
T.Erre Europe
Marpol
Borghi Impianti Oleodinamici
Borghi USA
Metallink
Fornitori
Lavora con noi
FOR
IT
EN
Cerca
LOGIN
MENU
Azienda
Mission-Storia
Sostenibilità
Energia rinnovabile
Riduzione dei rifiuti
Ottimizzazione del packaging
Etichettatura ambientale del packaging
Eliminazione sostanze tossiche
Report di Sostenibilità
Report Ecovadis 2025
Carbon Footprint di Prodotto
News
Lavora con noi
Posizioni aperte
Candidatura spontanea
Il mio account
Prodotti
Raccordi Oleodinamici
Raccordi Oleodinamici Speciali
Raccordi per tubi svasati a 37° JIC
Raccordi a tenuta frontale ORFS
Raccordi a tenuta 24° DIN 3861
Raccordi a tenuta 60° BSP
Dimensioni delle sedi filettate
Montaggio dei raccordi orientabili
Dimensioni delle sedi per flange
Attrezzature
Imballi
Tubi Oleodinamici FOR-T-FLEX
Determinazione del diametro interno
Scelta del tubo
Metodi di collaudo
Scelta del raccordo
Montaggio
Accessori - Protezioni
Catalogo FOR
Ricerca standard
Tabella Raccordo
Ricerca visuale
Composizione Speciale
Catalogo FOR-T-FLEX
Tubi
Raccordi per tubi flessibili
Tabella Raccordo Flex
Lavora con noi
FORTFLEX
LOGIN
LOGIN
Nome utente:
Inserisci un nome utente
Password:
Resta connesso su questo computer
Password dimenticata
Registrati
Ricerca codice
0
CONTENUTO DEL CARRELLO
Shop
CATALOGO FOR
RICERCA STANDARD
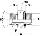
RACCORDI A TENUTA CONICA 60° (BSP)
202123
Terminale diritto BSP - GAS cil. (BSPP) con O.R. e rondella per sedi ISO 1179
stampa
excel
* Inserire le quantità e cliccare sull'icona carrello per aggiungere la tua richiesta
T
RIFERIMENTO
REFERENCE
F
F
1
A
B
D
CH
Cad
*
MM.
IN.
5
3/16
A202123-1010
G1/8-28 A GAS
G1/8-28 A GAS
23
8
7
14
Qt. non valida
5
3/16
A202123-1013
G1/8-28 A GAS
G1/4-19 A GAS
28
8
10
19
Qt. non valida
6
1/4
A202123-1313
G1/4-19 A GAS
G1/4-19 A GAS
31
11
10
19
Qt. non valida
6
1/4
A202123-1317
G1/4-19 A GAS
G3/8-19 A GAS
31
11
10
24
Qt. non valida
10
3/8
A202123-1713
G3/8-19 A GAS
G1/4-19 A GAS
33
12
10
19
Qt. non valida
10
3/8
A202123-1717
G3/8-19 A GAS
G3/8-19 A GAS
34
12
10
24
Qt. non valida
10
3/8
A202123-1721
G3/8-19 A GAS
G1/2-14 A GAS
38
12
12
27
Qt. non valida
12
1/2
A202123-2117
G1/2-14 A GAS
G3/8-19 A GAS
35
14
10
24
Qt. non valida
12
1/2
A202123-2121
G1/2-14 A GAS
G1/2-14 A GAS
40
14
12
27
Qt. non valida
12
1/2
A202123-2126
G1/2-14 A GAS
G3/4-14 A GAS
44
14
14
36
Qt. non valida
16
5/8
A202123-2321
G5/8-14 A GAS
G1/2-14 A GAS
41
16
12
27
Qt. non valida
20
3/4
A202123-2621
G3/4-14 A GAS
G1/2-14 A GAS
43
16
12
27
Qt. non valida
20
3/4
A202123-2626
G3/4-14 A GAS
G3/4-14 A GAS
46
16
14
36
Qt. non valida
20
3/4
A202123-2633
G3/4-14 A GAS
G1"-11 A GAS
52
16
15,5
41
Qt. non valida
25
1"
A202123-3326
G1"-11 A GAS
G3/4-14 A GAS
49
19
14
36
Qt. non valida
25
1"
A202123-3333
G1"-11 A GAS
G1"-11 A GAS
55
19
15,5
41
Qt. non valida
25
1"
A202123-3342
G1"-11 A GAS
G1"1/4-11 A GAS
60
19
17,5
50
Qt. non valida
32
1"1/4
A202123-4233
G1"1/4-11 A GAS
G1"-11 A GAS
51
20
15,5
46
Qt. non valida
32
1"1/4
A202123-4242
G1"1/4-11 A GAS
G1"1/4-11 A GAS
61
20
17,5
50
Qt. non valida
32
1"1/4
A202123-4248
G1"1/4-11 A GAS
G1"1/2-11 A GAS
55
20
19,5
60
Qt. non valida
38
1"1/2
A202123-4848
G1"1/2-11 A GAS
G1"1/2-11 A GAS
63
22
19,5
60
Qt. non valida
5
3/16
SA202123-1017
G1/8-28 A GAS
G3/8-19 A GAS
29
8
10
24
Qt. non valida
6
1/4
SA202123-1310
G1/4-19 A GAS
G1/8-28 A GAS
26
11
7
14
Qt. non valida
6
1/4
SA202123-1321
G1/4-19 A GAS
G1/2-14 A GAS
35
11
12
27
Qt. non valida
10
3/8
SA202123-1726
G3/8-19 A GAS
G3/4-14 A GAS
41
12
14
36
Qt. non valida
12
1/2
SA202123-2110
G1/2-14 A GAS
G1/8-28 A GAS
31
14
7
22
Qt. non valida
16
5/8
SA202123-2333
G5/8-14 A GAS
G1"-11 A GAS
52
16
15,5
41
Qt. non valida
25
1"
SA202123-3348
G1"-11 A GAS
G1"1/2-11 A GAS
58
19
19,5
60
Qt. non valida
38
1"1/2
SA202123-4833
G1"1/2-11 A GAS
G1"-11 A GAS
59
22
15,5
50
Qt. non valida
38
1"1/2
SA202123-4842
G1"1/2-11 A GAS
G1"1/4-11 A GAS
63
22
17,5
50
Qt. non valida
Se non hai trovato la dimensione/combinazione che stai cercando
clicca qui
for s.p.a. - norme e dimensioni soggette a modifiche senza preavviso.
for s.p.a. - design details and specifications subject to change without prior notice.
View 2D/3D
Iscriviti alla nostra newsletter
E-mail:
AGGIORNAMENTI DA FOR
NOVITA’ E NOTIZIE
19 novembre 2025
Excon 2025
Excon 2025 (9 - 13 December 2025)
Visit us at Stand n° O 357 - Hall 2 UPPER LEVEL
BIEC, Bengaluru, India
24 settembre 2025
AGRITECHNICA 2025
AGRITECHNICA 2025 (9 - 15 Novembre 2025)
Visit us in HALL 16 STAND D38
Hannover, Germania
27 agosto 2025
FARETE 2025
FARETE (3 - 4 Settembre 2025)
Tutte le news
Stai navigando in:
/
Catalogo FOR
Ricerca standard
Tabella Raccordo
Gruppo Borghi
T.Erre
T.Erre Deutschland
T.Erre Europe
Marpol
Borghi Impianti Oleodinamici
Borghi USA
Metallink
Fornitori
Lavora con noi
Informazione
×