|
IT
EN
Gruppo Borghi
T.Erre
T.Erre Deutschland
T.Erre Europe
Marpol
Borghi Impianti Oleodinamici
Borghi USA
Metallink
Fornitori
Lavora con noi
FOR
IT
EN
Cerca
LOGIN
MENU
Azienda
Mission-Storia
Sostenibilità
Energia rinnovabile
Riduzione dei rifiuti
Ottimizzazione del packaging
Etichettatura ambientale del packaging
Eliminazione sostanze tossiche
Report di Sostenibilità
Report Ecovadis 2025
Carbon Footprint di Prodotto
News
Lavora con noi
Posizioni aperte
Candidatura spontanea
Il mio account
Prodotti
Raccordi Oleodinamici
Raccordi Oleodinamici Speciali
Raccordi per tubi svasati a 37° JIC
Raccordi a tenuta frontale ORFS
Raccordi a tenuta 24° DIN 3861
Raccordi a tenuta 60° BSP
Dimensioni delle sedi filettate
Montaggio dei raccordi orientabili
Dimensioni delle sedi per flange
Attrezzature
Imballi
Tubi Oleodinamici FOR-T-FLEX
Determinazione del diametro interno
Scelta del tubo
Metodi di collaudo
Scelta del raccordo
Montaggio
Accessori - Protezioni
Catalogo FOR
Ricerca standard
Tabella Raccordo
Ricerca visuale
Composizione Speciale
Catalogo FOR-T-FLEX
Tubi
Raccordi per tubi flessibili
Tabella Raccordo Flex
Lavora con noi
FORTFLEX
LOGIN
LOGIN
Nome utente:
Inserisci un nome utente
Password:
Resta connesso su questo computer
Password dimenticata
Registrati
Ricerca codice
0
CONTENUTO DEL CARRELLO
Shop
CATALOGO FOR
RICERCA STANDARD
RACCORDI A TENUTA FRONTALE O.R.
502157
Terminale diritto ORFS - Metrico cil. con tenuta ad elastomero per sedi ISO 9974
stampa
excel
* Inserire le quantità e cliccare sull'icona carrello per aggiungere la tua richiesta
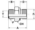
T
RIFERIMENTO
REFERENCE
F
F
1
A
B
D
CH
Cad
*
MM.
IN.
6
1/4
A502157-0610
9/16-18 UNF-2A
M10x1-6g
26
10
8
17
Qt. non valida
6
1/4
A502157-0612
9/16-18 UNF-2A
M12x1,5-6g
30
10
12
17
Qt. non valida
8-10
5/16-3/8
A502157-1014
11/16-16 UN-2A
M14x1,5-6g
32
11
12
19
Qt. non valida
8-10
5/16-3/8
A502157-1016
11/16-16 UN-2A
M16x1,5-6g
32
11
12
22
Qt. non valida
12
1/2
A502157-1218
13/16-16 UN-2A
M18x1,5-6g
34,5
13
12
24
Qt. non valida
12
1/2
A502157-1222
13/16-16 UN-2A
M22x1,5-6g
38,5
13
14
27
Qt. non valida
14÷16
5/8
A502157-1622
1"-14 UNS-2A
M22x1,5-6g
41
15,5
14
27
Qt. non valida
14÷16
5/8
A502157-1627
1"-14 UNS-2A
M27x2-6g
44,5
15,5
16
32
Qt. non valida
18-20
3/4
A502157-2026
1"3/16-12 UN-2A
M26x1,5-6g
46
17
16
32
Qt. non valida
18-20
3/4
A502157-2027
1"3/16-12 UN-2A
M27x2-6g
46
17
16
32
Qt. non valida
18-20
3/4
A502157-2033
1"3/16-12 UN-2A
M33x2-6g
49,5
17
18
41
Qt. non valida
22-25
7/8-1"
A502157-2533
1"7/16-12 UN-2A
M33x2-6g
50
17,5
18
41
Qt. non valida
22-25
7/8-1"
A502157-2542
1"7/16-12 UN-2A
M42x2-6g
53,5
17,5
20
50
Qt. non valida
28÷32
1"1/4
A502157-3233
1"11/16-12 UN-2A
M33x2-6g
52
17,5
18
46
Qt. non valida
28÷32
1"1/4
A502157-3242
1"11/16-12 UN-2A
M42x2-6g
54
17,5
20
50
Qt. non valida
28÷32
1"1/4
A502157-3248
1"11/16-12 UN-2A
M48x2-6g
57,5
17,5
22
55
Qt. non valida
35-38
1"1/2
A502157-3848
2"-12 UN-2A
M48x2-6g
57,5
17,5
22
55
Qt. non valida
6
1/4
SA502157-0614
9/16-18 UNF-2A
M14x1,5-6g
30,5
10
12
19
Qt. non valida
8-10
5/16-3/8
SA502157-1012
11/16-16 UN-2A
M12x1,5-6g
32
11
12
19
Qt. non valida
8-10
5/16-3/8
SA502157-1018
11/16-16 UN-2A
M18x1,5-6g
33
11
12
24
Qt. non valida
8-10
5/16-3/8
SA502157-1022
11/16-16 UN-2A
M22x1,5-6g
37
11
14
27
Qt. non valida
12
1/2
SA502157-1214
13/16-16 UN-2A
M14x1,5-6g
34,5
13
12
22
Qt. non valida
12
1/2
SA502157-1216
13/16-16 UN-2A
M16x1,5-6g
34,5
13
12
22
Qt. non valida
14÷16
5/8
SA502157-1618
1"-14 UNS-2A
M18x1,5-6g
39
15,5
12
27
Qt. non valida
18-20
3/4
SA502157-2018
1"3/16-12 UN-2A
M18x1,5-6g
42
17
12
32
Qt. non valida
18-20
3/4
SA502157-2022
1"3/16-12 UN-2A
M22x1,5-6g
44
17
14
32
Qt. non valida
22-25
7/8-1"
SA502157-2527
1"7/16-12 UN-2A
M27x2-6g
48
17,5
16
38
Qt. non valida
Se non hai trovato la dimensione/combinazione che stai cercando
clicca qui
for s.p.a. - norme e dimensioni soggette a modifiche senza preavviso.
for s.p.a. - design details and specifications subject to change without prior notice.
View 2D/3D
Iscriviti alla nostra newsletter
E-mail:
AGGIORNAMENTI DA FOR
NOVITA’ E NOTIZIE
19 novembre 2025
Excon 2025
Excon 2025 (9 - 13 December 2025)
Visit us at Stand n° O 357 - Hall 2 UPPER LEVEL
BIEC, Bengaluru, India
24 settembre 2025
AGRITECHNICA 2025
AGRITECHNICA 2025 (9 - 15 Novembre 2025)
Visit us in HALL 16 STAND D38
Hannover, Germania
27 agosto 2025
FARETE 2025
FARETE (3 - 4 Settembre 2025)
Tutte le news
Stai navigando in:
/
Catalogo FOR
Ricerca standard
Tabella Raccordo
Gruppo Borghi
T.Erre
T.Erre Deutschland
T.Erre Europe
Marpol
Borghi Impianti Oleodinamici
Borghi USA
Metallink
Fornitori
Lavora con noi
Informazione
×